ویدفکتور

دسته بندی کالاها

جستجو

0

سبد خرید

۱۴۰۰/۷/۱۱

545

0

راه اندازی موتورهای AC | جریان راه اندازی | راه اندازی موتور آسنکرونراه اندازی موتورهای AC | جریان راه اندازی | راه اندازی موتور آسنکرون

راه اندازی موتورهای AC | جریان راه اندازی | راه اندازی موتور آسنکرون

فهرست محتوا

مهمترین روش های راه اندازی موتور AC

هنگامی که یک الکتروموتور روشن می شود، همراه عبور جریان شدید هجومی خواهد بود که برای شبکه تامین انرژی الکتریکی بسیار نا مطلوب خواهد بود. تاثیر زیادی بر کیفیت برق خواهد گذاشت. مهمترین اثر این پدید به صورت افت ولتاژ  خود را نشان می دهد. که بیشتر موارد با کاهش نور سیستم روشنایی خود را نشان می دهد. بر این اساس در برخی موارد راه اندازی مستقیم موتور ها ممنوع شده چرا که این افت ولتاژ می تواند با اختلال در عملکرد بعضی از بار های حساس و حیاتی خواهد شد. بسته به نوع موتور و شرایط و نوع بار سیستم های راه اندازی متعددی وجود دارد. که انتخاب آن با توجه عوامل الکتریکی، مکانیکی و اقتصادی صورت می پذیرد. در موارد نوع بار متصل به موتور نیز بسیار تعیین کننده است.


مقالات مرتبط:

بیشتر بدانید:

راهنمای خرید انواع الکتروموتور

اصول و روش های هم محوری الکتروموتور و بار

ابعاد بدنه الکتروموتور

پلاک خوانی الکتروموتور


روش راه اندازی مستقیم الکتروموتورDirect on-line starting

این روش ساده ترین روش راه اندازی است که در آن استاتور موتور مستقیما به خط تغذیه متصل می شود. موتور در این شرایط با مشخصه های طبیعی خود راه اندازی می شود. به محض وصل سویچ الکتروموتور مانند ترانسفور ماتوری که در ثانویه آن یک بار مقاومت کم قرار دارد، ناشی از روتور قفسه ای که مقاومت کمی دارد چیزی شیبه به اتصال کوتاه است به خط تغذیه اتصال می دهد که این وضعیت باعث ایجاد جریان بالایی در روتور شده که جریان زیاد خود به صورت یک جریان شدید در استاتور نشان می دهد.

جریان راه اندازی = 5 تا 8 برابر جریان نامی

در این شرایط گشتاور راه اندازی متوسط برابر است با گشتاور راه اندازی = 0.5 تا 1.5 برابر گشتاور نامی

از عمده امتیاز های این روش می توان به تجهیزات ساده، گشتاور راه اندازی بالا، راه اندازی سریع و هزینه پایین اشاره نمود. راه اندازی مستقیم معمولا مناسب است برای :

  • مواقعی که توان موتور نسبت به توان تحویلی شبکه تغذیه کنندهالکتروموتوربسیار کم  بوده و جریان هجومی  راه اندازی موتور تداخل کمی در کار سیستم ایجاد می کند
  • در راه اندازی موتور نیازی به دور گرفتن تدریجی موتور نیست یا پیش بینی کنترل و حذف ضربه مکانیکی ناشی از راه اندازی انجام گرفته است.
  • گشتاور راه اندازی زیاد اولیه موتور اسیبی به عملکرد موتور یا بار متصل به نمی رساند.

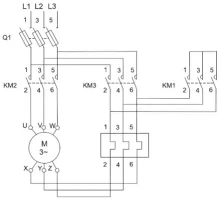
راه اندازی ستاره مثلث الکتروموتور

این راه اندازی در صورت امکان پذیر است که هر دو انتهای سه سری سیم پیچ استاتور موتور در جعبه ترمینال موتور در دسترس باشد. همچنین سیم پیچی به گونه ای انجام گرفته باشد که ولتاژ تغذیه موتور در اتصال مثلث برای مثال380Vسه فاز و برای اتصال ستاره660Vسه فاز باشد.

اصل قضیه راه اندازی در حالت اتصال ستاره این است که ولتاژ اعمال شده به کلاف های سیم پیچ استاتور3√ برابر کمتر خواهد بود3√380V = 660V /و در نتیجه جریان راه اندازی برابر حواهد بود با:

جریان راه اندازی = 1.5 تا 2.6 جریان نامی موتور

به تبع آن با کاهش ولتاژ اعمالی به سیم پیچ ها در حالت ستاره به میزان3√ کمتر گشتاور راه اندازی نیز کاهش پیدا خواهد کرد.

گشتاور راه اندازی = 0.2 تا 0.5 برابر گشتاور نامی راه اندازی

در این شرایط دورالکنروموتورنیز در حالت اعمال بار نامی به موتور 75% تا 80% دور نامی خواهد بود که با تغییر وضعیت از حالت ستاره به مثلث به دور نامی و شرایط گشتاور نامی تغییر وضعیت خواهد داد. تغییر وضعیت از حالت ستاره به مثلث توسط یک تایمر انجام می پذیرد که بایستی فاصله زمانی بین باز شدن کنتاکتور ستاره و متصل شدن کنتاکتور مثلث حداقل 30 تا 50 میلی ثانیه باشد تا از ایجاد اتصال کوتاه خط تغذیه توسط کنتاکتور ستاره جلوگیری بعمل آید. همچنین هنگام تغییر وضعیت از حالت ستاره به مثلث یک قطع جریان کوتاه در سیم پیچ های استاتور بوجود می آید که طبیعی است ولی باعث ایجاد یک جریان  زیاد لحظه ای و گذرا در زمان اتصال کنتاکتور مثلث می شود که باعث ایجاد یک انقطاع لحظه ای در نیروی الکترومغناطیسی موتور می گردد. راه اندازی ستاره مثلث برای ماشین آلات با گشتاور مقاوم کم یا ماشین آلات با راه اندازی بدون(به عنوان مثال ماشین آلات چوب، برش) مناسب است معمولا مدت زمان تغییر وضعیت از حالت ستاره به مثلث بین 1 تا 3 ثانیه قرار می دهند.

راه اندازی الکتروموتوربه صورت سیم پیچ مجزا

این سیستم  به طور گسترده ای در اروپا استفاده نمی شود، در  بازار آمریکای شمالی بسیار رایج است (ولتاژ 230/460، به نسبت 1: 2) این نوع ازموتور دارای یک سیم پیچ استاتور به دو سیم پیچ موازی ومجزا با شش یا دوازده ترمینال خروجی این معادل دو " نیم موتور » با  قدرت برابر است. در زمان استارت در شروع، یک "نیم موتور " به طور مستقیم باولتاژ کامل قدرت متصل است، که جریان راه اندازی  و گشتاور حدود تقسیم  بر دو  می شود که باز هم بیشتر گشتاور راه اندازی در یک موتور با توان نامی مساوی به صورت ستاره مثلث است. در پایان فرآیند راه اندازی سیم پیچ دوم به تغذیه متصل شده در نتیجه جریان هجومی راه اندازی به دلیل گردش روتور وجود نداشته و موتور فقط با کمی لغزش از دور نامی مواجه است که با متصل شدن سیم پیچ دوم این لغزش نیز جبران خواهد شد.

راه اندازی الکتروموتوربا قرار دادن مقاومت در مسیر استاتور

دراین سیستم، موتور به وسیله کاهش ولتاژ  توسط مقاومت هایی که  به صورت سری با سیم پیچ استاتور در مدار قرار دارند راه اندازی می شود. وقتی که سرعت تثبیت گردید، مقاومت ها از مدار استاتور حذف و موتور به طور مستقیم به برق متصل می شود. این فرآیند توسط یک تایمر کنترل می شود که ترتیب و زمان حضور مقاومت ها را در مدار مشخص می کند. در این شکل از راه اندازی نیاز به تغییر و دسترسی به سربندی موتور نیست و مقدار مقاومت بر اساس ماکزیمم جریان و مینیمم گشتاور راه اندازی محاسبه می شود. جریان و گشتاور راه اندازی برابر خواهد بود با

جریان راه اندازی = 4.5 برابر جریان نامی

گشتاور راه اندازی = 0.75 گشتاور راه اندازی

در مرحله شتابگیری موتور با مقاومت ها ولتاژ اعمال شده به ترمینال موتور ثابت نخواهد بود بلکه برابر تفاضل ولتاژ تغذیه از افت ولتاژ روی  مقاموت های سری با استاتور یا همان مقاومت های راه اندازی خواهد بود. این افت ولتاژ با جریان کشیده شده توسط موتور متانسب خواهد بود. به صورتی با شتاب گیری موتور کاهش جریان موتور این افت نیز کاهش می یابد. در هر حال در زمان شروع استارت موتور ولتاژ اعمال شده به ترمینال موتور کمترین میزان را خواهد داشت. بعد از شروع شتاب گیری رو به افزایش خواهد گذاشت. گشتاور نیز با مجذور ولتاژ ترمینال موتور متناسب خواهد بود که در مقایسه با راه اندازی ستاره مثلث در حالت ستاره سریع تر افزایش یافته باعث شتاب گیری زودتر موتور خواهد شد. این نوع از راه اندازی برای پمپ ها سانتیفیوژ و فن ها مناسب است. در هر حال می توان در پایان فرآیند راه اندازی مقاومت را از مدار بای پس کرد.

راه اندازی با کاهش ولتاژ در لحظهراه اندازی الکتروموتورتوسط اتو ترانسفورماتور

در این روش ولتاژ اعمل شده به ترمینال موتور توسط یک اتوترانسفورماتور کاهش پیدا کرده که در پایان فرآیند راه اندازی بای پس می شود.

فرآیند راه اندازی شامل سه مرحله است:

  1. در مرحله اول، اتوترانسفورماتور به صورت ستاره متصل شده است، سپس موتور از طریق بخشی از سیم پیچ اتوترانسفورماتور به برق متصل است تغذیه می شود. این فرآیند باعث کاهش ولتاژ راه اندازی در ابتدای استارت موتور شده که میزان بستگی به نسبت اتوترانسفورماتور دارد. این اتوتراسفورماتور معمولا دارای تپ های مختلف برای پیدا کردن میزان مناسب از نسبت ولتاژ هستند.
  2. اتصال ستاره است قبل از رفتن بر روی ولتاژ کامل باز می شود. بخشی از سیم پیچ متصل به برق پس از آن به عنوان یک اندوکتانس سری با موتور عمل می کند. این عملیات در پایان مرحله اول که سرعت موتور متعادل می شود صورت می گیرد.
  3. ولتاژ کامل خط تغذیه بعد مرحله دوم با اتصال کوتاه شدن دوسر اتوترانسفورماتور به ترمینال موتور اعمال خواهد شد.

جریان و گشتاور را راه اندازی برابر خواهد بود با :

  • جریان راه اندازی = 1.7 تا 4 برابر جریان نامی
  • گشتاور راه اندازی = 0.5 تا 0.85 گشتاور نامی

این روش راه اندازی عموما برای موتور فشار ضعیف با توان بالاتر از150KWاستفاده می شود و به دلیل هزینه بالای اتوترانسفورماتور و تجهیزات جانبی آن بایستی در شرایطی که دارای توجیه اقتصادی باشد مورد استفاده قرار گیرد.


برای دریافت اطلاعات بیشتر در خصوص مشخصات فنی و دریافت مشاوره خرید و استعلام قیمت به فروشگاه ویدفکتور مراجعه فرمایید:

نظر خود رابنویسید

مطالب مرتبط

شناخت نورو روشنایی

شناخت نورو روشنایی

این مقاله به بررسی ماهیت نور و نظریه‌های انتشار آن در سیستم‌های روشنایی می‌پردازد. همچنین طیف‌های UV، حساسیت چشم انسان، اصول رؤیت اشیا، دمای رنگ و شاخص نمود رنگ (CRI) به‌صورت کاربردی توضیح داده شده‌اند. آشنایی با این مفاهیم برای انتخاب صحیح لامپ و طراحی استاندارد روشنایی ضروری است.

تعادل نیروهای محوری و شعاعی در پمپ

تعادل نیروهای محوری و شعاعی در پمپ

در پمپ‌های سانتریفیوژ، نیروهای محوری و شعاعی به دلیل اختلاف فشار و توزیع نامتقارن سیال ایجاد می‌شوند. عدم تعادل این نیروها می‌تواند باعث خرابی بیرینگ، سیل مکانیکی و کاهش راندمان شود. با استفاده از یاتاقان محوری، بیرینگ تماس زاویه‌ای و سوراخ‌های تعادل در پروانه می‌توان این نیروها را کنترل کرد.

کنترل مدار بسته دستی و خودکار در سیستم‌های صنعتی

کنترل مدار بسته دستی و خودکار در سیستم‌های صنعتی

این مقاله به بررسی کنترل مدار بسته به دو روش دستی و خودکار در فرآیند کنترل دمای دیگ بخار می‌پردازد. در روش دستی، اپراتور با مقایسه PV و SP و محاسبه خطا اقدام به تنظیم شیر سوخت می‌کند که احتمال بروز خطاهای انسانی وجود دارد.

سیستم کنترل مدار باز و مدار بسته

سیستم کنترل مدار باز و مدار بسته

سیستم‌های کنترل به دو دسته مدار باز و مدار بسته تقسیم می‌شوند که تفاوت اصلی آن‌ها در وجود یا عدم وجود بازخورد از خروجی است. در کنترل مدار باز، خروجی اندازه‌گیری نمی‌شود و عملکرد سیستم بر اساس تنظیمات اولیه انجام می‌گیرد.

اطلاعات تماس