(1)
399
0
اصول تهویه صنعتی
اصول تهویه صنعتیindustrial ventilation
تهویه صنعتی ایجاد و برقراری سیستمی است تا با استفاده از آن ذرات آلاینده شامل گرد و غبار، بخارات، دود و گازهای شیمیایی از طریق تأمین هوای تمیز و بدون آلودگی مضر و یا تخلیه هوای آلوده از محیط کار توسط هواکش خارج شده و از تماس کارگران با مواد خطرناک در محدوده و مقدار بیش از حد مجاز جلوگیری نماید.
تهویه صنعتی توسط هواکش صنعتی به دو روش صورت می گیرد.
- تهویه رقیق سازیDilution Ventilation
- تهویه موضعیlocal ventilation

تهویه رقیق سازیDilution Ventilation
یعنی رقیق کردن هوای آلوده به وسیله هوای پاک و تمیز و کاهش نسبت مواد به حد مجاز در موارد زیر از آن می توان استفاده کرد
1- میزان سمی بودن ماده آلوده کننده کم باشد. در صورت بالا بود درصد سمی بودن ماده آلوده کننده چون کنترل بر روی نفاط تجع یا یکنواختی لحظه ماده آلوده کننده وجو ندارد پس این روش در این موارد مناسب نیست
2- منبع تولید آلودگی در نزدیکی کارگر نباشد. با زمان بر بودن کاهش سطح آلودگی اگر کارکنان در نزدیکی منبع آلودگی باشند دچار آسیب خواهند شد.
3- تراکم مواد آلوده کننده در هوا محیط زیاد نباشد. به دیلی زمان بر بودن عملکرد سیستم ممکن تا رقیق شده آلوده کننده به افراد و کارکنان آسیب برسد
4- مواد آلوده کننده به شکل گاز یا بخار باشد(نه گرد و غبار) چرا که آلودگی ناشی از گردو غبار را با رقیق سازی نمی توان کاهش داد
5- آلاینده به طور یکنواخت در محیط پراکنده شود. و نقاط تجمع موضعی مواد آلوده کننده وجود نداشته باشد
6- شرایط آب و هوایی معتدل باشد. چرا که گرم یا سرد بودن بیش از عملکرد این سیستم را تحت تاثیر قرار می دهد.و در مواردی مختل می کند.
7- به وسیله تمیز کننده نیاز نباشد. با رقیق سازی آلودگی به محدوده مجاز برسد و برای ایجاد محیط تمیز به خنثی کننده جدا کننده و .... نیاز نباشد.
روش های رقیق سازی
مقالات مرتبط:
چگونه هواکش مناسبی انتخاب کنیم
تهویه طبیعیnatural vent
سیستم های تهویه طبیعی با موفقیت در چند ین مورد کاربردی، استفاده شده است از جمله:
مدارس ، بیمارستان ها ،فروشگاه های بزرگ و مراکز خرید،ساختمان های اداری و انبارها. مزایای بسیاری در استفاده سیستم های تهویه طبیعی وجود دارد.
مزیت استفاده از آب و هوا ی فضای باز خارج ساختمان با هدف :
- بازده بالاتر انرژی
- بهبود کیفیت محیط کار و زندگی در داخل ساختمان
- ایجاد پتانسیل کاهش هزینه
- کاهش هزینه نگهداری و تعویض و تعمیر ات
- سازگاری با نور روز و نور آفتاب
- افزایش محدود آسایش و رفاه حرارت
تهویه مکانیکیmechanical vent
در این روش معمولاً با استفاده از فن های محوری هوا جابجا می گردد و خود به چند دسته تقسیم می شود.
الف- تهویه مکانیکی دمشی بدون جهت مشخص

ب- تهویه مکانیکی مکشی بدون جهت مشخص

ج- تهویه دمشی جهت دار

د- تهویه مکانیکی مکشی- دمشی

به طور کلی تهویه رقیق سازی مکانیکی کاربرد بیشتری در محیط کار و صنعتی دارد. این تهویه با یکی از دو هدف زیر در محیط کار مورد استفاده قرار می گیرد.
1- کاهش میزان آلودگی و رساندن آن به حدTLVیا کمتر.threshold limit values(مقادیر حد آستانه)
2- کاهش میزان گازها و بخارات قابل اشتعال یا انفجار و رساندن آن به حدLELیا کمتر.
در هریک از اهداف فوق اصول زیر بایستی د رتهویه رقیق سازی رعایت شود.
1- مقدار هوای لازم جهت رقیق کردن هوا و تأمین دو هدف فوق فراهم گردد.
2- محل خروج آلودگی حتی الامکان نزدیک سرچشمه آلودگی باشد.
3- مسیر عمودی هوای تهویه طوری باشد که سرچشمه آلودگی بین کارگر و خروجی قرار گیرد.
4- از ورود مجدد هوای خارج شده به داخل سالن جلوگیری بعمل آید.
تهویه مؤثر: وقتی سیستم تهویه در حال کار است و هوا را از محل خارج می کند، تمامی این هوا حاوی آلودگی نبوده و مقداری از هوای تمیز را نیز به همراه هوای آلوده از محیط خارج می کند. تهویه مؤثر میزان هوایی است که تمامی آلودگی را با خود حمل نموده و از محیط خارج می سازد و برابر است با:

Kضریب ثابت تهویه مؤثر است می باشد که (هر قدر کمتر باشد یعنی تهویه مؤثرتر است). به این ضریب (K) ، ضریب ایمنی هم گفته می شود زیرا داریم:Q=KQ’
میزانKبه عواملی نظیر شدت سمیت آلاینده، توزیع تهویه در محل، نوع فرآیند و نوع تولید آلودگی میزان تهویه طبیعی، محل استقرار پرسنل و ... بستگی دارد. مثلاً هرچه سمیت ماده بیشتر باشدKبیشتر خواهد بود.
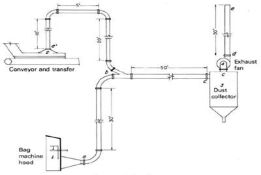
تهویه موضعیLOCAL VENTILATION
- تهویه موضعی یعنی گرفتن و به کنترل در آوردن آلودگی در منبع تولید و انتقال آن به خارج از محیط کار و تصفیه هوا در صورت نیاز.
- این سیستم در مقایسه با روش تهویه رقیق سازی کارایی بالاتری دارد و به میزان جابجایی هوای کمتری نیز نیازمی باشد.
اجزاء این سیستم عبارت است از:
- 1- هود (یک یا چند هود)
- 2- کانال های انتقال
- 3- وسیله تمیز کننده هوا
- 4- فن
- 5-دودکش
لازم به تذکر است که تعداد و نوع لوازم و تجهیزات مورد استفاده ممکن است از نظر شکل و ساختار بر اساس نوع طراحی و شرایط کار متفاوت باشد .


نظر خود رابنویسید