213
0
معرفی و بررسی انواع منابع نور الکتریکی و مقایسه عملکرد آن
در این مقاله با انواع منابع نور الکتریکی شامل لامپهای رشتهای، هالوژن، فلورسنت، کممصرف و LED آشنا میشویم. نحوه تولید نور، مزایا، معایب، راندمان نوری و طول عمر هرکدام بهصورت کامل بررسی شده است. این راهنما به شما کمک میکند بهترین گزینه روشنایی را بر اساس مصرف انرژی و کاربرد انتخاب کنید.
علامت مشخصه انواع مختلف منابع نور الکتریکی شکل و نحوه تولید نور توسط آنها است . تفاوت های فنی و اصلی بین لامپ هایی است از طریق حرارت نور تولید می کنند و لامپ هایی که از طریق تخلیه بار در گاز این عمل را انجام می دهند . چراغهای تخلیه گازی به فشار بالا ولامپ های کم فشار تقسیم می شوند .تحولات جاری یک روند مشخص را به سوی توسعه استفاده از نور فشرده یا کامپکت را نشان می دهد . منابع تولید نوری ، مانند لامپ های هالوژن ولتاژ پایین لامپ های فلورسنت فشرده و متال هالیدCFL
لامپ التهابی یا رشته ای
لامپ رشته ای یک مبدل حرارتی است.سیم رشته ای با عبور یک جریان الکتریکی شروع به درخشش می کند،هنگامی که مقدار کافی گرم شود. هرچه درجه حرارت بیشتر می شود طیف نور تابشی تولید شده توسط رشته التهابی به سمت طول موج کوتاه تر میل می کند و از نور - گرم قرمز به سفید گرم تبدیل می شود. بسته به نوع لامپ و توان آن دما رشته ها یا فیلامان می تواندبه3000 کلوین برسد ، در مورد لامپ های هالوژن بیش از3000 کلوین هم می رسد . حداکثر میزان تابش در این درجه حرارت هنوز هم در محدوده طیف مادون قرمز قرار دارد.
در نتیجه در مقایسه باطیف مرئی دارای درجه بالایی از تابش حرارتی وتابش اشعه ماوراء بنفش بسیار کم است. فقدان مواد مناسب برای ساخت و تولید رشته های فیلامان به این معنی است که افزایش دماامکان پذیر نیست، تا باعث بهبود کارآیی و درخشانتر شدن فیلامان و نهایتا تولید نور با رنگ روشن نور سفید شود.
همانطور که در مورد تمام اجسام جامد گرم- یا گاز فشرده تولید شده مانند خورشید - لامپ رشته ای یک طیف مستمر را منتشر می کند. بنابراین منحنی طیفی توزیع یا انتشار آن به طور پیوسته است و شامل مجموعه ای از خطوط منفرد و مجزا نیست .گرم شدن رشته فیلامان در نتیجه بالا بودن مقاومت الکتریکی -انرژی الکتریکی تبدیل به تابشی می شود انرژی، که یک بخش از آن نور مرئی است. اگر چه به شکل کلی این کار بسیار ساده به نظر می رسد، ولی برای ساخت یک لامپ رشته ای تعداد قابل توجهی مشکلات عملیاتی وجود دارد .
برای مثال مواد رسانا که نقطه ذوب به اندازه کافی بالا باشد و در همان زمان نرخ تبخیر آنها به اندازه کافی در زیر نقطه ذوب کم باشد بسیار کمیاب هستند، تا بتوان از آنها رشته فیلامان مناسب تهیه نمود .امروزه عمدتا برای ساخت سیم های رشته ای از تنگستن استفاده می شود،چون فقط در دمای 3653 °Kذوب می شود و دارای نرخ تبخیر پایین است.
تنگستن را می توان به عنوان یک گزینه مناسب در نظر گرفت ، که به صورت سیم پیچ تکی یا دوبل برای ساخت فیلامان از آن استفاده می شود. این فیلامان برای ساخت لامپ رشته ای یا التهابی در داخل یک حباب شیشه ای نرم قرار می گیرد ، این حباب به منظور جلوگیری از تیره شدن در اثر تبخیر فلز فلامان نسبتا بزرگ است . تابه مرور زمان از کاهش نور خارج شده نیجامد ، این پدیده به علت تجمع رسوبات تبخیر شده تنگستن در داخل حباب لامپ بوجود می آید .برای جلوگیری از اکسیداسیون رشته در لامپ های توان کم حباب بیرونی از هوا تخلیه شده است و با مخلوطی از گاز بی اثر و نیتروژن پر شده است.

خاصیت عایق حرارتی گاز مورد استفاده برای پر کردن لامپ دمای رشته فیلامان را افزایش می دهد ، اما در همان زمان نرخ تبخیر تنگستن کاهش می یابد که به نوبه خود منجر به درخشانتر شدن فیلامان و افزایش کارایی و طول عمر لامپ می شود.
مناسب ترین گازها عمدتا استفاده می شود آرگون و کریپتون است. کریپتون اجازه می دهد دمای کار - و راندمان نور بیشتر باشد با توجه به این واقعیت که گاز کریپتون فقط در موارد خاص استفاده می شود و نسبتا گران است.
یکی ویژگی های مشخص لامپ های رشته ای حرارت رنگ کم آنها است -نور تولید شده توسط آنها در مقایسه با نور روزگرم است .به دلیل دارا بودن طیف رنگی پیوسته دارای نمود رنگ و نمایش رنگ عالی هستند. به عنوان یک منبع نقطه ای با روشنایی بالا،با کارآیی بالا می تواند مورد توجه قرار گیرد . با ساتفاده از سطوح براق و منعکس کننده ها به راحتی می توان با استفاده تجهیزات نوری آن را کنترل نمود بنابراین لامپ های رشته ای برای هر دو تابش باریک یا تابش گسترده استفاده می شود همچنین برای پرتوهای پرتابل (مانن چراغ قوه ) و به طور کلی برای تامین روشنایی به شکل عمومی مورد استفاده قرار می گیرد.
مزایای لامپ رشته ای
- قیمت پایین نسبت به لامپ های مشابه آن
- نور گرم وآرمش بخش مناسب برای محیط های مسکونی
- بازتاب یا نمود رنگ خوب
- امکان نصب وراه اندازی آسان
- عدم نیاز به مدارات جانبی
- امکان تغذیه با منابع ولتاژACوDC
- عدم تغییر شکل ولتاژ شبکه برق (تزریق هارمونیک)
معایب لامپ رشته ای
- راندمان بسیار پایین (حدود 12 لومن بر وات)
- انتشار مقدار زیادی حرارت در محیط
- طول عمر نسبتا کوتاه (متوسط 1000 ساعت)
- افت شار نوری زیاد

انواع لامپ رشته ای
- نوع کلاسیک
- لامپهای کریپتون
- لامپ های فانتزی
- لامپ های رفلکتور دار
- لامپ های دکوری
- لامپ های خاص
نمونه ای از لامپ های رشته ای نوع کلاسیک

لامپ رشته ای نوع کریپتون
استفاده از گاز کریپتون در این نوع لامپ ها باعث شده تا به دلیل انتقال حرارت کمتر به بیرون از حباب لامپ ، نور آن ها 10% بیش تر شود ، در نتیجه بهره نوری این نوع لامپ ها بالاتر است.

لامپ هالوژن تنگستن HTL
- پر کردن حباب توسط یک گاز هالوژن مانند بُرم باعث می شود تا تنگستن تبخیر شده قبل از رسوب روی جدار داخلی حباب با هالوژن ترکیب و در محیط حباب در گردش باشد و در برخورد مجدد با فیلامان گرم ، مجددا تنگستن به فیلامان چسبیده و هالوژن آزاد می شود.
چرخه هالوژن

دما فیلامان 3000 کلوین و دمای حباب 450 کلوین است
مزایای لامپ هالوژن
- بهره نوری بالاتر نسبت به لامپ های رشته ای
- کارایی بهتر
- طول عمر زیاد
- کنترل بهینه نور
- اندازه بسیار کوچک
- درخشندگی بالا
- دمای رنگ بالا
لامپ های تخلیه در گاز فشار کم
لامپ فلورسنت
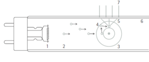
حباب این لامپ از بخار جیوه با فشار کم پر شده است. در اثر تخلیه الکتریکی در گاز بخار جیوه ، نور ما وراء بنفش ساطع می شود. این نور در اثر برخورد با لایه پوششی داخلی فلورسان به نور مرئی تبدیل می شود.

- فیلامان و کاتد
- محیط داخل لوله لامپ که خلا می باشد
- اتم بخار جیوه
- الکترون برخورد کرده به اتم جیوه
- الکتروه منتقل شده به تراز بالاتر که تولید ماوراء بنفش می کند
- لایه پوشش فسفر یا فلورسان
- نور مرئی

نکاتی در مورد لامپ فلورسنت
- تعداد دفعات روشن و خاموش شدن لامپ به ویژه هنگام راه اندازی ، تاثیر بسیار زیادی بر طول عمر لامپ خواهد داشت هرچه این تعداد کمتر باشد عمر لامپ بیشتر خواهد بود. استارتر های نامرغوب ، زمان قطع کوتاهتری دارند ، در نتیجه لامپ فرصت کافی برای گرم شدن ندارد ، در نتیجه تعداد دفعات بیشتر سوئیچ انجام شده و طول عمر لامپ و بالاست کاهش می یابد.
- چنانچه ماده امیتر پوشیده شده در سطح الکترود لامپ خاتمه یابد لامپ در پایان عمر خود مرتبا چشمک می زند ولی نمی تواند روشن شود. در اثر چشمک زدن مکرر لامپ ،قبل از روشن دن جریا هجومی با دامنه تقریبی 2 برابر جریان نامی از چوک عبور عبور خواهد کرد که سبب، اولا آسیب شدید به چوک شده ،ثانیا توان تلف شده در این حالت بسیار زیاد می شود .
- به دلیل توان تلفاتی بالا دمای چوک به شدت افزایش یافته و تا 800 درجه سلسیوس می رسد از سویی دمای دو نقطه ابتدا و انتهای لامپ نیز به شدت افزایش یافته (نزدیک به 200 درجه سانتی گراد )
- افزایش دما ضمن ایجاد خطر آتش سوزی در بسیاری از موارد باعث از بین رفتن و کاهش شدید عمر لامپ می شود
انواع لامپ فلورسنت
- لامپهای فلورسنت با قطر 38 میلی متر(T12): تولید این لامپ در بسیاری از کشور های جهان متوقف شده است.
- لامپ های فلورسنت با قطر 32 میلی متر(T10): این لامپ ها متاسفانه به شکل گسترده ای در کشور ما مورد استقاده است در حالی که در اغلب کشور های جهان از آن استفاده نمی شود
- لامپ های فلورسنت با قطر 26 میلیمتر(T8)این لامپ ها با توجه به اینکه 10% مصرف انرژی کمتر نسبت به لامپ های(T10)دارند و از سوی دیگر نور بیشتری منتشر می کنند . به دلیل عدم آگاهی مردم کمتر مورد استقبال واقع شده اند .جایگزینی این لامپ ها موجب صرفه جویی زیادی در هزینه انرژی مصرفی در بخش روشنایی خواهد شد.
- لامپ های فلور سنت با قطر 16 میلی متر(T5)این لامپ ها به سرعت در حال جایگزینی با لامپ هایT8هستند و به دلیل بارک بودن بسیار زیبا تر به نظر می آیند. لامپ های فلور سنت با قطر 7 میلی متر(T2)باریکترین فلورسنت تولید ده اسن که برای نورپردازی دکراتیو بسیار مناسب بوده و کاربرد دارد.
انواع اتصالت لامپ فلور سنت

لامپ کم مصرفCompact Fluorescent Lamp
در واقع نوع فشرده شده لامپ فلورسنت هستنداین لامپها در مقایسه با لامپهای رشتهای گرمای بهمراتب کمتری تولید میکنند. همین موضوع هزینه بالای خرید لامپهای کممصرف را جبران میکند. برای مصارف خانگی، بیشتر 8وات، 11وات، 12وات، 18وات و 32وات مورد استفاده قرار میگیرد. این لامپ در ابعاد و اشکال مختلف تولید و عرضه می شود . که با توجه به نوع و شرایط استفاده بایستی لامپ مناسب را انتخاب نمود .

طول عمر معادل 12 سال ( برای 3 ساعت روشن بودن در روز ) را دارد . به دلیل داشتن بالاست الکترونیکی کوچک ، به سادگی قابل جایگزینی با لامپ های التهابی معمولی هستند . در محدوده 5 تا 32 وات با سه رنگ تولید می شود .مناسب برای کاربرد هایی است که هزینه تعویض لامپ به دلایلی مانند مشکلات دسترسی یا ارتفاع زیاد است .
لامپ LED
LED ها قطعات نیمههادی حالت جامد هستند که انرژی الکتریکی را به طور مستقیم به نور تبدیل میکنند. این قطعات میتوانند بسیار کوچک و در عین حال بادوام باشند. برخی از LED ها عمر طولانیتری نسبت به لامپهای معمولی دارند.
بخش عمده حجم یک LED را رزین (محفظه شفاف) و پایه فلزی قلعاندود تشکیل میدهد.
نور در داخل تراشه LED تولید میشود. این تراشه یک کریستال از مواد جامد است که هنگام عبور جریان الکتریکی از اتصال بین مواد مختلف، نور تولید میکند. ترکیب مواد تشکیلدهنده این کریستال، طول موج نور و در نتیجه رنگ نور را تعیین میکند.

رنگ و طول عمر LED
LED ها میتوانند نورهای زیر را تولید کنند:
- قرمز
- زرد
- سبز
- آبی
- سفید
طول عمر آنها میتواند تا 100,000 ساعت برسد. به همین دلیل به طور گسترده در موارد زیر استفاده میشوند:
- چراغها
- علائم ترافیکی
- نورپردازیهای تزئینی
LED های نور سفید یک دستاورد نسبتاً جدید محسوب میشوند و بازار بالقوه بزرگی در کاربردهای عمومی روشنایی دارند.
راهانداز (درایور یا بالاست) LED
لامپهای LED نیاز به راهانداز (درایور) یا بالاست الکترونیکی دارند. این قطعه نقش بسیار مهمی در موارد زیر دارد:
- افزایش طول عمر لامپ
- بهبود کیفیت عملکرد
- کاهش مصرف انرژی
- افزایش راندمان نوری

چرا LED ها به درایور نیاز دارند؟
لامپهای LED به دو دلیل اصلی به درایور یا بالاست نیاز دارند:
تبدیل ولتاژ و نوع جریان
LED ها برای کار در ولتاژ پایین (12 تا 24 ولت) و با جریان مستقیم (DC) طراحی شدهاند.
در حالی که بیشتر شبکههای برق، ولتاژ بالاتر (120 تا 277 ولت) و جریان متناوب (AC) را تأمین میکنند.
درایور LED وظیفه دارد:
- ولتاژ بالا را کاهش دهد
- جریان متناوب (AC) را به جریان مستقیم (DC) تبدیل کند
محافظت در برابر نوسانات ولتاژ
راهاندازهای LED همچنین از LED ها در برابر نوسانات ولتاژ شبکه برق محافظت میکنند.
تغییرات ولتاژ میتواند باعث تغییر جریان در LED شود. از آنجا که:
- شدت نور LED با جریان عبوری متناسب است
- LED ها در محدوده جریان مشخصی (آمپراژ مشخص) طراحی شدهاند
بنابراین:
- جریان بیش از حد → افزایش دما و آسیب به LED
- جریان کمتر از حد استاندارد → کاهش نور خروجی
در نتیجه، استفاده از درایور مناسب برای حفظ عملکرد صحیح و افزایش طول عمر LED ضروری است.
نظر خود رابنویسید